- Главная страница.
- Запасные части
- Кольца ( мет.,рез.,пласт. и т.д.)
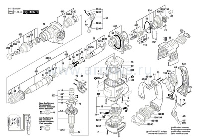
- Кольцо уплотнительное BOSCH GBH 3-28 DFR (1610283047)
Кольцо уплотнительное BOSCH GBH 3-28 DFR (1610283047)
Метро
Адреса магазинов для самовывоза
Наличие
Кол-во
Режим работы
Телефон




